کاربرد سیستم فناوری اطلاعات پزشکی Acrel در بیمارستان های مالزی
صفحه اصلی / پروژه ها / بیمارستان / کاربرد سیستم فناوری اطلاعات پزشکی Acrel در بیمارستان های مالزی

کاربرد سیستم فناوری اطلاعات پزشکی Acrel در بیمارستان های مالزی

با افزایش استفاده از تجهیزات پزشکی الکترونیکی در بیمارستان ها، خطر نشتی جریان تهدیدات قابل توجهی برای ایمنی بیمار به ویژه در محیط های مراقبت های ویژه ایجاد می کند. در طی اعمال جراحی یا بیهوشی، بیماران مستقیماً به الکترودها و حسگرهای مختلف متصل می شوند. حتی حداقل جریان های نشتی می تواند باعث شوک الکتریکی در هنگام تماس مستقیم دستگاه های پزشکی با بدن انسان شود.

علاوه بر این، تجهیزات پشتیبانی از زندگی برای بیماران بدحال باید بدون وقفه عمل کنند. هر گونه قطع برق می تواند بلافاصله جان بیماران را به خطر بیندازد. بنابراین، سیستم‌های برق بیمارستانی باید با اجرای سیستم‌های منبع تغذیه فناوری اطلاعات در مناطق تعیین‌شده، کاملاً با استانداردهای ملی مطابقت داشته باشند.

این مطالعه موردی کاربرد سیستم منبع تغذیه ایزوله پزشکی Acrel را در مالزی نشان می‌دهد که شامل موارد زیر است:

توزیع برق فناوری اطلاعات پزشکی

دستگاه های نظارت بر عایق

سیستم های مکان یابی خطا

تماس با ما
  • نمای کلی پروژه
  • بررسی اجمالی پروژه
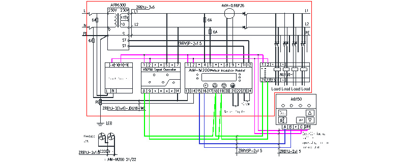
    Malaysia I.E.D در SELANGOR DARUL EHSAN واقع شده است، این پروژه عمدتاً در بیمارستان جزیره در مالزی مورد استفاده قرار می گیرد، محصولات برای محل خطای عایق 12 مدار برای سیستم برق ایزوله بیمارستانی 3 مجموعه استفاده می شود، محصولات مرتبط دستگاه مانیتور عایق AIM-M200، ژنراتور تست سیگنال ASG150، نشانگر زنگ مرکزی fault AID150، نشانگر زنگ مرکزی فالو 150 ترانسفورماتور AIL150-8، AIL150-4 و جریان نشتی AKH-0.66P26.


    معرفی سیستم فناوری اطلاعات پزشکی
    دستگاه نظارت بر عایق سیستم فناوری اطلاعات پزشکی ACREL و سیستم مکان یابی عیب برای اتاق عمل بیمارستان، ICU (CCU) و سایر مکان های مهم مناسب است و می تواند مکانی امن برای چنین راه حل های برق مداوم و قابل اعتمادی فراهم کند.


    راه حل منبع تغذیه برای مکان های پزشکی
    راه حل های توزیع بخش ICU، CCU (به عنوان مثال، نمودار سیستم کابینت الکتریکی ایزوله GGF-I8G)


    گزینه I بدون عملکرد مکان خطا


    گزینه II با عملکرد مکان یابی خطا

    توجه: در محلول های توزیع برق بخش مراقبت های ویژه، دستگاه هشدار و نمایشگر متمرکز سری AID باید در ایستگاه پرستاران نصب شود، کارکنان بیمارستان پرستاران وضعیت عملکرد هر سیستم قدرت ایزوله را نظارت می کنند.


    راه حل های توزیع اتاق عمل (به عنوان مثال، نمودار سیستم کابینت الکتریکی ایزوله GGF-O8G)

    گزینه I بدون عملکرد محل خطای عایق


    گزینه II با عملکرد محل خطای عایق

    1. در محلول های توزیع برق اتاق عمل، دستگاه های هشدار دهنده و نمایشگر خارجی سری AID روی پنل هوشمند داخل اتاق عمل و یا در کنار پنل هوشمند (نصب دیواری) نصب شوند. در طول عمل جراحی، کادر پزشکی بر سلامت سیستم برق ایزوله نظارت می کنند.

    2. در طرح با عملکرد مکان یابی خطای عایق، اگر تعداد کانال های واقع شده بیش از هشت باشد، می توان از دو مجموعه مکان یاب AIL150 استفاده کرد. این ترکیب می تواند AIL150-8 و AIL150-4 (حداکثر 12 کانال) یا AIL150 -8 و AIL150-8 (تا 16 کانال) باشد.

    3. نمودار سیم کشی معمولی






    4. معرفی فناوری اطلاعات پزشکی 7 تکه

    نام و نوع محصول تصویر محصول توضیحات
    ترانسفورماتور ایزولاسیون پزشکی سری AITR ترانسفورماتور جداسازی سری AITR به طور ویژه در سیستم های فناوری اطلاعات پزشکی استفاده می شود. سیم پیچ ها با عایق مضاعف درمان می شوند و دارای یک لایه محافظ الکترواستاتیک هستند که تداخل الکترومغناطیسی بین سیم پیچ ها را کاهش می دهد. سنسور دمای PT100 برای نظارت بر دمای ترانسفورماتور در کیسه سیم نصب شده است. کل بدنه با رنگ تهاجم خلاء درمان می شود که استحکام مکانیکی و مقاومت در برابر خوردگی را افزایش می دهد. این محصول دارای عملکرد خوب در افزایش دما و صدای بسیار کم است.
    ابزار نظارت بر عایق هوشمند پزشکی AIM-M200 ابزار نظارت بر عایق هوشمند پزشکی AIM-M200 از فناوری میکروکنترلر پیشرفته استفاده می کند که دارای یکپارچگی بالا، اندازه جمع و جور، نصب راحت است و هوشمندی، دیجیتالی شدن و شبکه را در یک ادغام می کند. این انتخاب ایده آل برای نظارت بر عایق سیستم های قدرت ایزوله در مکان های پزشکی کلاس 2 مانند اتاق عمل و بخش های مراقبت ویژه است.
    ترانسفورماتور جریان AKH-0.66P26 ترانسفورماتور جریان نوع AKH-O 66P26 ترانسفورماتور جریان محافظی است که از مانیتور عایق AIM-M200 پشتیبانی می کند که حداکثر جریان قابل اندازه گیری آن 60 آمپر و نسبت تبدیل آن 2000:1 است. ترانسفورماتور جریان مستقیماً با پیچ در داخل کابینت ثابت می شود و سمت ثانویه توسط ترمینال به بیرون هدایت می شود که نصب و استفاده راحت است.
    عیب یاب عایق AIL150-4/AIL150-8 عیب یاب عایق AIL150-4/AIL150-8 adopts high sensitivity transformer combined with a high precision signal detecting circuit, which detects the signal imported into the system from the ASG150 test signal generator and accurately locates the circuits which have insulation faults. AIL150-4 insulation fault locator can locate the insulation faults of 4 circuits, and the AIL150-8 insulation fault locator can locate the insulation faults of 8 circuits.
    ژنراتور سیگنال تست ASG150 ژنراتور سیگنال آزمایشی ASG150 از یک تراشه ریزپردازنده 32 بیتی و مدار تولید سیگنال با دقت بالا استفاده می کند تا تولید سیگنال آزمایشی خاص را درک کند. هنگامی که سیستم IT نظارت شده دارای خطاهای عایق باشد، می تواند راه اندازی شود و سیگنال آزمایشی را به موقع تولید کند و با محل خطای عایق کار کند تا محل خطای عایق را تشخیص دهد.
    ماژول برق HDR-60-24 منبع تغذیه جریان مستقیم HDR-60-24 می تواند منبع تغذیه 24 ولت DC را به طور همزمان برای AIM-M200 فراهم کند.
    ابزار نظارت بر عایق هوشمند پزشکی، ژنراتور سیگنال تست ASG150، مکان یاب عیب عایق سری AIL150 و ابزار هشدار و نمایشگر متمرکز AID150 منبع تغذیه دارای ظرفیت بالا، خروجی ولتاژ پایدار و نصب راحت است که می تواند نیازهای منبع تغذیه کنتورهای منبع تغذیه فوق را برآورده کند و محصول توصیه شده برق است.
    آلارم و نمایشگر متمرکز AID1 50 آلارم و نمایشگر متمرکز AID150 از نمایشگر کریستال مایع LCD استفاده می کند و با ابزار نظارت عایق هوشمند پزشکی AIM-M200 از طریق رابط ارتباطی RS485، که می تواند داده های چند کاناله دستگاه نظارت عایق هوشمند پزشکی AIM-M200 را در زمان واقعی نظارت کند، به تبادل داده دست می یابد.

    عکس های داخل سایت



Acrel Co., Ltd.