جریان دارای امتیاز 80A به طور مستقیم
گواهی MID
کلاس C با دقت بالا
ریل DIN 35 میلی متری نصب شده است
خروجی پالس
4 ماژول 72 میلی متر عرض
برای مدیریت انرژی اینترنت اشیا، کارخانه، مدرسه
گواهینامه UL
کلاس دقت بالا 0.5
Split Core Open Type
جریان نامی: 100-400A
خروجی های mA/mV/A
ولتاژ نامی AC0.69kV
+86-18702106858 / +86-21-69156352
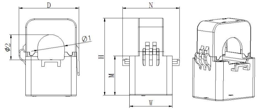
ترانسفورماتورهای جریان سری AKH-0.66/K UL، تولید شده توسط Acrel، دارای گواهینامه UL هستند و برای پروژه های تعمیر و نگهداری برق و مقاوم سازی برق طراحی شده اند. این ترانسفورماتورها دارای اندازه فشرده، دقت بالا و ظرفیت بار قوی هستند. آنها گزینه های خروجی متعددی از جمله خروجی های mV، mA، 5A و 1A را با جریان های ورودی نامی از 20A تا 400A ارائه می دهند. ولتاژ نامی AC 0.66 کیلو ولت است و فرکانس می تواند 50-60 هرتز باشد. آنها می توانند در محیط هایی با دمای بین -30 درجه سانتی گراد تا 60 درجه سانتی گراد (یا تا 70 درجه سانتی گراد برای مدل های خاص) و ارتفاعات ≤3000 متر کار کنند. این ترانسفورماتورها عملکرد عالی را در سیستم های قدرت ارائه می دهند و دقت و قابلیت اطمینان بالایی را تضمین می کنند.
| مدل | جریان اولیه | جریان ثانویه | دقت | VA/Ω | قطر (میلی متر) |
| K-Φ16-M | 20-120A | (10-50 میلی آمپر) | کلاس 0.5S | 10Ω | Φ16 |
| K-Φ16-U | (100-333) میلی ولت | کلاس 0.5S | 10Ω | ||
| K-Φ24-M | 100A | 20 میلی آمپر | کلاس 0.5S | 10Ω 10Ω 10Ω 10Ω 10Ω | Φ23 |
| 100A-300A | 40 میلی آمپر | کلاس 0.5S | |||
| 100A-300A | 50 میلی آمپر | کلاس 0.5S | |||
| 100A-150A | 100 میلی آمپر | کلاس 1 | |||
| 200A-400A | 100 میلی آمپر | کلاس 0.5S | |||
| K-Φ24-U | 100A-400A | (100-333) میلی ولت | کلاس 0.5S | / | |
| K-Φ24-A | 150-200A | 5A | کلاس 1 | 1Ω | |
| 200-300A | کلاس 1 | 1.5Ω | |||
| K-Φ24-B | 150-200A | 1A | کلاس 1 | 1Ω | |
| 200-300A | کلاس 1 | 1.5Ω |
Acrel Co., Ltd. 【کد سهام: 300286.SZ】 تاسیس شده در سال 2003، یک شرکت با تکنولوژی بالا است که در راه حل های مدیریت انرژی و ایمنی الکتریکی تخصص دارد. Acrel که مقر آن در شانگهای است، راه حل های نوآورانه و پایداری را برای بهره وری انرژی ریزشبکه و ایمنی الکتریکی ارائه می دهد. با بیش از 600 حق ثبت اختراع و حق چاپ نرم افزار، Acrel بیش از 28000 راه حل سیستمی را در سراسر جهان به کار گرفته است و یک معماری جامع انرژی اینترنت "ابر لبه" را تشکیل می دهد.
Acrel Co., Ltd. is China Wholesale CT ترانسفورماتورهای جریان هسته تقسیم شده AKH-0.66/K-Φ دارای گواهینامه UL Manufacturers and CT ترانسفورماتورهای جریان هسته تقسیم شده AKH-0.66/K-Φ دارای گواهینامه UL Factory. Acrel's integrated product ecosystem spans from cloud platform software to end-user components, covering sectors such as power, renewable energy, data centers, smart buildings, transportation, and smart cities. These solutions enable intelligent, real-time energy management, enhancing energy security and reducing operational costs. We offer CT ترانسفورماتورهای جریان هسته تقسیم شده AKH-0.66/K-Φ دارای گواهینامه UL for sale.
تاسیسات تولید این شرکت، شرکت تولیدی الکتریک جیانگ سو آکرل، با مسئولیت محدود به استانداردهای کیفیت دقیق و دستورالعمل های زیست محیطی، با مراکز آزمایش پیشرفته و تعهد به فرآیندهای تولید بدون سرب، پایبند است. تیم Acrel متشکل از بیش از 500 مهندس، سیستم های بهره وری انرژی و راه حل های هوشمند انرژی را ارائه می دهد.
با حضور قوی داخلی، Acrel به طور فعال در سطح بین المللی گسترش می یابد، با پشتیبانی شبکه جهانی از فروش و تیم های فنی و یک پلت فرم تجارت الکترونیکی که تجربه خدمات یکپارچه را در سراسر جهان تضمین می کند. Acrel مفتخر است که به کسب و کارها در بهبود کارایی، کاهش مصرف و دستیابی به اهداف پایداری کمک می کند.
ما با هم در حال ساختن آینده ای هوشمندتر و سبزتر هستیم.
اختراعات مجاز
0+تعداد مشتریان ارائه شده
0+کل کارکنان
0+پایگاه تولیدی
0متر مربعچشم انداز الکتریکی مدرن، ملیله پیچیده ای از سیستم های قدرت به هم پیوسته است که عمدتاً جریان متناوب (AC) برای تولید، انتقال و توزیع دارد. با این حال، افزایش انرژی های تجدیدپذیر، ذخیره انرژی، وسایل نقلیه الکتریکی و فرآیندهای صنعتی، سیستم های جریان مستقیم (DC) را به موقعیت بسیار مهمی سوق داده است. ا...
Read Moreشبکه برق مدرن یک شاهکار مهندسی است، یک شبکه گسترده و متصل به هم که برای رساندن برق از منابع تولید به کاربران نهایی با قابلیت اطمینان قابل توجه طراحی شده است. در قلب این سیستم، خطوط انتقال ولتاژ بالا، شریانهای عضلانی قرار دارند که مقادیر بسیار زیادی انرژی را در فواصل وسیع حمل میکنند. امنیت و ثبا...
Read Moreدر دنیای پیچیده اندازهگیری الکتریکی، دستیابی به سنجش دقیق جریان در هندسههای رساناهای غیراستاندارد مدتهاست که چالش مهمی را ارائه کرده است. ترانسفورماتورهای جریان هسته جامد سنتی نیاز به یک ضریب فرم خاص و صلب دارند که اغلب آنها را برای مجموعه گسترده ای از شینه ها، کابل ها و هادی های نامنظم که در ...
Read More