جریان دارای امتیاز 80A به طور مستقیم
گواهی MID
کلاس C با دقت بالا
ریل DIN 35 میلی متری نصب شده است
خروجی پالس
4 ماژول 72 میلی متر عرض
برای مدیریت انرژی اینترنت اشیا، کارخانه، مدرسه
اندازه گیری واقعی RMS
THD با هارمونیک 63
K-Factor و Crest Factor
عدم تعادل و زوایای فاز
تقاضاها و انرژی چند تعرفه ای
ثبت حداکثر/حداقل با مهر زمانی
+86-18702106858 / +86-21-69156352
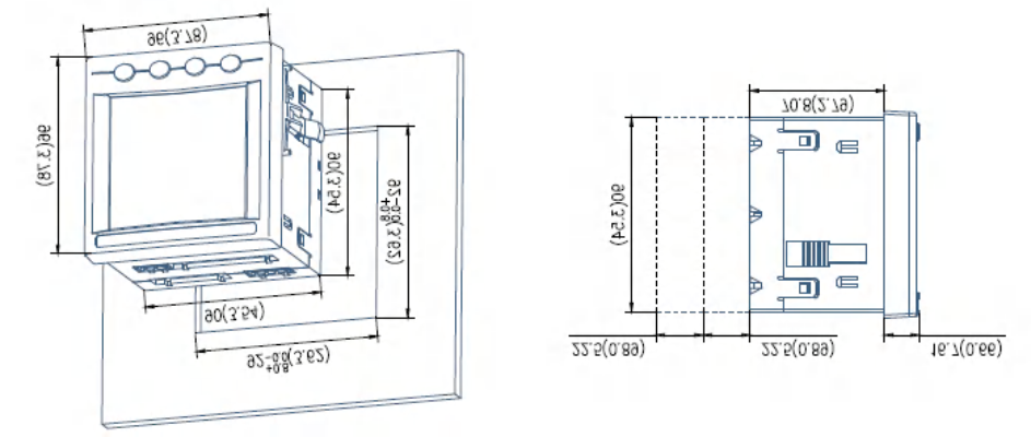
APM810 یک پانل متر چند منظوره سه فاز AC کلاس 0.2S است که برای پایش دقیق انرژی، تشخیص کیفیت توان و صورتحساب فرعی مستاجر در تابلوهای صنعتی، تجاری و مراکز داده طراحی شده است. محفظه DIN جمع و جور 96×96 میلیمتر میزبان صفحهنمایش لمسی رنگی TFT است که ولتاژ واقعی RMS را تا 690 ولت، جریان، فرکانس، اکتیو/راکتیو/توان ظاهری، PF، تقاضا، هارمونیکها تا 63، THD و چهار ربع کیلووات ساعت در کوارح را نمایش میدهد. دوگانه RS485 Modbus-RTU، Ethernet TCP/IP، BACnet/IP، SNMP و Wi-Fi/LoRa اختیاری یکپارچه سازی یکپارچه BMS/EMS را ارائه می دهند، در حالی که حافظه داخلی ۴ مگابایتی پروفایل های بار ۱۲ ماهه را برای ممیزی انرژی ثبت می کند. آلارم های ولتاژ، جریان، PF و هارمونیک قابل تنظیم خروجی های رله یا ورودی های دیجیتال برای کنترل قطع کننده هوشمند. پالس، SOE و تعرفه TOU از برنامه های کاربردی AMI، شبکه خورشیدی و شارژ EV پشتیبانی می کند. عریض 3×57.7–690 V، 0.001–10 اتصال مستقیم یا CT/VT به اضافه آب بندی ضد دستکاری متناسب با هر شبکه هوشمند یا میکرو شبکه است.
| پارامترهای فنی | ارزش | |||
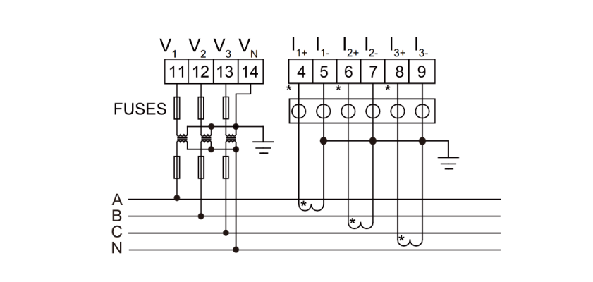
| ورودی | اتصال | تک فاز 2 سیم، 3 فاز 3 سیم، 3 فاز 4 سیم | ||
| فرکانس | 45-65 هرتز | |||
| ولتاژ | رتبه بندی: | |||
| تک فاز: AC 100 ولت، 400 ولت | ||||
| سه فاز: AC 3×57.7V/100V(100V)، 3×220V/380V (400V)، 3×380V/660V (660V) (فقط سایز 96) | ||||
| اضافه بار: 1.2 برابر امتیاز {مداوم) : امتیاز 2 برابر برای 1 ثانیه | ||||
| مصرف برق:<0.5VA | ||||
| فعلی | رتبه بندی: AC IA、5A | |||
| اضافه بار: امتیاز 1.2 برابری (پیوسته)؛ امتیاز دهی برابر برای 1 ثانیه | ||||
| مصرف برق:<0.5VA | ||||
| خروجی | انرژی الکتریکی | خروجی mode:open-collector photo-coupler pulse | ||
| ثابت پالس: 10000 Imp/kWh (قابل تنظیم) برای جزئیات بیشتر به نمودار سیم کشی مراجعه کنید. | ||||
| ارتباط | پورت RS485، پروتکل Modbus -RTU، پروتکل DLT645 (نسخه های 07 و 97)، | |||
| نرخ باد 1200 ~ 38400 | ||||
| تابع | سوئیچینگ ورودی | ورودی تماس خشک، منبع تغذیه داخلی؛ اگر مدل KA باشد، AC 220 ولت فعال است. | ||
| سوئیچینگ خروجی | خروجی mode: Relay normally open contact output | |||
| ظرفیت تماس: AC 250V/3A、 DC 30V/3A | ||||
| خروجی آنالوگ | 4 - 20 میلی آمپر | |||
| کلاس دقت | فرکانس:0.05Hz,Current、Voltage:0.2 class,Reactive power:l .0class,Reactive Electric energy:l .0class, active power:0.5class,active electric energy: 0.5class,2-31th harmonic measurement:±1% | |||
| منبع تغذیه | AC/DC 85-265V یا DC24V (±20٪) یا DC48V (±20٪) | |||
| مصرف برق≤10VA | ||||
| امنیت | ولتاژ تحمل فرکانس برق | بین منبع تغذیه//خروجی سوئیچینگ// ورودی جریان//ورودی و انتقال ولتاژ// ارتباط //خروجی پالس//سوئیچینگ ورودی AC 2 کیلوولت 1 دقیقه; | ||
| بین منبع تغذیه، خروجی سوئیچینگ، ورودی جریان، ولتاژ ورودی AC 2 کیلو ولت 1 دقیقه؛ | ||||
| بین انتقال، ارتباط، خروجی پالس، سوئیچینگ ورودی AC 1kV 1 دقیقه. | ||||
| مقاومت عایق | ورودی、Output end to machine enclosure >100MΩ | |||
| محیط زیست | دما | کار: -25 درجه سانتی گراد ~ 65 درجه سانتی گراد ذخیره سازی: -40 درجه سانتی گراد ~ 80 درجه سانتی گراد | ||
| رطوبت | ≤93% RH غیر متراکم | |||
| ارتفاع | ≤2500 میلیون دلار دلار | |||
راه حل مانیتورینگ قدرت
Acrel Co., Ltd. 【کد سهام: 300286.SZ】 تاسیس شده در سال 2003، یک شرکت با تکنولوژی بالا است که در راه حل های مدیریت انرژی و ایمنی الکتریکی تخصص دارد. Acrel که مقر آن در شانگهای است، راه حل های نوآورانه و پایداری را برای بهره وری انرژی ریزشبکه و ایمنی الکتریکی ارائه می دهد. با بیش از 600 حق ثبت اختراع و حق چاپ نرم افزار، Acrel بیش از 28000 راه حل سیستمی را در سراسر جهان به کار گرفته است و یک معماری جامع انرژی اینترنت "ابر لبه" را تشکیل می دهد.
Acrel Co., Ltd. is China Wholesale کنتور AC سه فاز قابل برنامه ریزی پانل نصب شده انرژی Manufacturers and کنتور AC سه فاز قابل برنامه ریزی پانل نصب شده انرژی Factory. Acrel's integrated product ecosystem spans from cloud platform software to end-user components, covering sectors such as power, renewable energy, data centers, smart buildings, transportation, and smart cities. These solutions enable intelligent, real-time energy management, enhancing energy security and reducing operational costs. We offer کنتور AC سه فاز قابل برنامه ریزی پانل نصب شده انرژی for sale.
تاسیسات تولید این شرکت، شرکت تولیدی الکتریک جیانگ سو آکرل، با مسئولیت محدود به استانداردهای کیفیت دقیق و دستورالعمل های زیست محیطی، با مراکز آزمایش پیشرفته و تعهد به فرآیندهای تولید بدون سرب، پایبند است. تیم Acrel متشکل از بیش از 500 مهندس، سیستم های بهره وری انرژی و راه حل های هوشمند انرژی را ارائه می دهد.
با حضور قوی داخلی، Acrel به طور فعال در سطح بین المللی گسترش می یابد، با پشتیبانی شبکه جهانی از فروش و تیم های فنی و یک پلت فرم تجارت الکترونیکی که تجربه خدمات یکپارچه را در سراسر جهان تضمین می کند. Acrel مفتخر است که به کسب و کارها در بهبود کارایی، کاهش مصرف و دستیابی به اهداف پایداری کمک می کند.
ما با هم در حال ساختن آینده ای هوشمندتر و سبزتر هستیم.
اختراعات مجاز
0+تعداد مشتریان ارائه شده
0+کل کارکنان
0+پایگاه تولیدی
0متر مربعچشم انداز الکتریکی مدرن، ملیله پیچیده ای از سیستم های قدرت به هم پیوسته است که عمدتاً جریان متناوب (AC) برای تولید، انتقال و توزیع دارد. با این حال، افزایش انرژی های تجدیدپذیر، ذخیره انرژی، وسایل نقلیه الکتریکی و فرآیندهای صنعتی، سیستم های جریان مستقیم (DC) را به موقعیت بسیار مهمی سوق داده است. ا...
Read Moreشبکه برق مدرن یک شاهکار مهندسی است، یک شبکه گسترده و متصل به هم که برای رساندن برق از منابع تولید به کاربران نهایی با قابلیت اطمینان قابل توجه طراحی شده است. در قلب این سیستم، خطوط انتقال ولتاژ بالا، شریانهای عضلانی قرار دارند که مقادیر بسیار زیادی انرژی را در فواصل وسیع حمل میکنند. امنیت و ثبا...
Read Moreدر دنیای پیچیده اندازهگیری الکتریکی، دستیابی به سنجش دقیق جریان در هندسههای رساناهای غیراستاندارد مدتهاست که چالش مهمی را ارائه کرده است. ترانسفورماتورهای جریان هسته جامد سنتی نیاز به یک ضریب فرم خاص و صلب دارند که اغلب آنها را برای مجموعه گسترده ای از شینه ها، کابل ها و هادی های نامنظم که در ...
Read More