به اتصال خوش آمدید
در شرایط توسعه سریع صنعت انرژی های نو، سناریوهایی مانند ذخیره سازی انرژی تجاری و صنعتی ، ایستگاه های تعویض باتری ، and سیستم های ذخیره سازی فتوولتائیک خانگی تقاضاهای بالاتری از دقت، سازگاری و هوشمندی از اندازه گیری برق . Acrel Electric طیف کاملی از راه حل های ابزار دقیق پشتیبانی از انرژی جدید را توسعه داده است. این راه حل ها به صورت سفارشی برای نیازهای اصلی سناریوهای کاربردی مختلف طراحی شده اند و نیازهای اندازه گیری از کاربردهای خانگی کم مصرف تا سیستم های ذخیره سازی انرژی صنعتی و تجاری در مقیاس بزرگ را پوشش می دهند. راه حل ها پشتیبانی قابل اعتمادی را برای عملکرد پایدار و اندازه گیری دقیق سیستم های انرژی جدید ارائه می دهند.
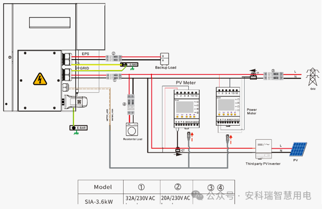
فتوولتائیک مسکونی و ذخیرهسازی انرژی، سناریوی کاربردی مهمی برای رواج انرژیهای جدید است. Acrel محصولات ابزار بسیار سازگاری را توسعه داده است که سناریوهای فرعی مختلفی از جمله را هدف قرار می دهد تطبیق اینورتر ذخیره انرژی، ادغام اینورتر هیبریدی، سیستم های ذخیره سازی فتوولتائیک بالکن، و سیستم های انتقال شفاف نقطه به نقطه ذخیره انرژی میکرو . این محصولات ادغام، سرعت اندازه گیری و انعطاف پذیری ارتباط را متعادل می کنند.
در پاسخ به ویژگیهای بازار سازگاری چند برند در سیستمهای فتوولتائیک و ذخیرهسازی انرژی، پیکربندی CT RS485 برای تطبیق شرایط نصب نامشخص برای عوامل حرفهای اتخاذ شده است. این ابزارها دارای گواهینامه های بین المللی CE-MID، UL و RCM هستند. این دستگاهها با نرخ بهروزرسانی داده با سرعت بالا 50 میلیثانیه، از تنظیم توالی فاز نیز پشتیبانی میکنند که اندازهگیری دقیق و سازگاری قوی را تضمین میکند.
برای الزامات ادغام بالای طرحهای اینورتر ذخیرهسازی انرژی یکپارچه و الزامات اندازهگیری دو کاناله در سناریوهای مقاومسازی، ابزارها به پایانههای اتصال سریع ولتاژ و جریان و پورتهای ارتباطی RJ45 مجهز هستند. آنها همچنین از نرخ بهروزرسانی دادهها 50 میلیثانیه و تنظیم توالی فاز، همراه با یک سیستم گواهی جامع پشتیبانی میکنند که آنها را هم برای بازسازی و هم برای سناریوهای نصب جدید مناسب میسازد.
این راه حل که به طور خاص برای سیستم های فتوولتائیک توزیع شده کم مصرف و ذخیره انرژی در بالکن ها طراحی شده است، یکپارچگی بالا را با نصب و راه اندازی راحت متعادل می کند. علاوه بر ترمینال های اندازه گیری دو کاناله و دوشاخه سریع ، it also supports عملکردهای WiFi، وای فای هالو و اشکال زدایی بلوتوث . طراحی بی سیم به طور قابل توجهی نصب را در سناریوهای کوچک ساده می کند و محصول دارای گواهینامه CE-RED است.
برای رسیدگی به نفوذ ضعیف و عملکرد ناپایدار شبکه از traditional WiFi in micro-energy storage scenarios, WiFi HaLow فناوری ارتباطی (زیر 1 گیگاهرتز) پذیرفته شده است. در مقایسه با وای فای سنتی، قابلیت نفوذ قوی تر و فاصله انتقال طولانی تری را ارائه می دهد. در مقایسه با ارتباطات LoRa، سرعت انتقال بالاتر و پایداری بهتری را ارائه می دهد. این ابزار به طور بومی از این فناوری پشتیبانی می کند و برای فعال کردن ارتباط بی سیم فقط به یک AP اضافی در سمت اینورتر نیاز دارد. همچنین از پیکربندی سریع شبکه یک به یک و یک به چند پشتیبانی می کند، که آن را برای سیستم های ذخیره سازی میکرو مولتی اینورتر خانگی و بالکن مناسب می کند.
ذخیرهسازی انرژی صنعتی و تجاری، ذخیرهسازی انرژی در مقیاس بزرگ و ایستگاههای تعویض باتری نیازمند استانداردهای سختگیرانه در دقت اندازهگیری، سرعت تازهسازی، انعطافپذیری نصب و انطباق با مقررات هستند. Acrel محصولات ابزار تعبیه شده و DIN-rail را بر اساس الزامات کلیدی مانند صورتحساب چند تعرفه، اندازهگیری تقاضا، حفاظت ضد جریان برق معکوس، و ارتباطات بیسیم ، supporting both new installations and retrofit applications.
APM521 گواهینامه CSA (UL) خارج از کشور را دریافت کرده است و دقت اندازه گیری انرژی فعال را تا کلاس 0.2 ثانیه (کلاس D) ارائه می دهد. مجهز به حافظه کارت SD برای پارامترهای الکتریکی بلادرنگ است. طراحی ماژول توسعه واحد اصلی مدولار از نصب ریل تعبیه شده و DIN پشتیبانی می کند و نیازهای نصب متنوع را در پروژه های جدید برآورده می کند.
این یک متر کلاس 0.5S با CT خارجی است که به طور گسترده در برنامه های کاربردی مشتریان بزرگ استفاده می شود. این سیمکشی مقاومسازی ثانویه CT را پشتیبانی میکند و میتواند مستقیماً جریان جانبی ثانویه ترانسفورماتورهای فعلی موجود را ببندد و آن را برای پروژههای مقاومسازی کنتور بسیار مناسب میکند. این محصول دارای گواهینامههای CPA، CE و UL است و همچنین میتواند در نسخهی تازهسازی با سرعت بالا برای برآورده کردن الزامات برنامه با عملکرد بالا سفارشی شود.
علاوه بر این، راه حل های صنعتی و تجاری نیز عملکردهای حفاظت از اضافه بار را ادغام می کنند. این سیستم می تواند به سناریوهای ذخیره انرژی جانبی با ولتاژ بالا و پایین متصل شود و می تواند با کنتورهای برق چند تعرفه ای برای دستیابی به اندازه گیری دقیق برق تحت ساختارهای تعرفه مختلف کار کند و پشتیبانی جامع ایمنی و مدیریت انرژی را برای سیستم های ذخیره سازی انرژی صنعتی و تجاری و ایستگاه های تعویض باتری ارائه دهد.
در زمینه ارتقاء مستمر در صنعت انرژی های جدید، Acrel به تمرکز بر نوآوری و بهبود بیشتر فناوری ابزار دقیق و سیستم محصول جدید پشتیبانی از انرژی خود ادامه خواهد داد. هدف این شرکت ارائه کارآمدتر، هوشمندتر و قابل اعتمادتر است اندازه گیری برق solutions برای ذخیرهسازی انرژی تجاری و صنعتی، ایستگاههای تعویض باتری و کاربردهای ذخیرهسازی فتوولتائیک خانگی، که به ارتقای توسعه با کیفیت بالا صنعت انرژی جدید کمک میکند.
